Get Started
Welding Triple Eccentric Butterfly Valve

Size Range:DN100-DN2000

Pressure: PN16/25/40/150LB/300LB

Body Material:WCB/CF8/ CF8M/ CF3M/20#

Seat Material:13Cr/304/316/STL

Disc Material:WCB/CF8/ CF8M/ CF3M

Stem Material:2Cr13/304/316

Get a Quote
Product advantages

1. The valve body is precision casting valve body or the whole section of seamless steel pipe, the material performance is up to standard, the appearance is fine;

2. The butterfly plate is processed by CNC precision machine tool, with high precision;

3. The sealing ring is soft and hard multi-layer metal ring, with the dual advantages of metal and elastic sealing, to ensure excellent sealing performance in high temperature and low temperature environment;

4. The valve stem is made of stainless steel 420, and the strength of the valve stem can be doubled after tempering treatment;

5. The worm gear adjustment screw of each product is equipped with a protective nut to protect the adjustment screw from damage;

6. Each valve is tested for shell and double seal pressure according to national standards;

7. According to the customer's working conditions, it can do two-way sealing and all-metal hard-to-hard sealing.


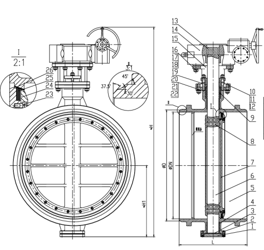
Parameters

image.png

OptionalBodySealing MaterialDiscStemActuator
WCB/CF8/ CF8M/ CF3M/20#13cr/304/316/STLWCB/CF8/ CF8M/ CF3M2Cr13/304/316Worm Gear/Electric/Pneumatic

Parameter Information:

1. Executive standard:


NameDesign and manufactureFace to face LengthPressure Test StandardGroove connection dimensions
Design and manufactureJB/T 8527GB/T 12221 GB/T 13927GB/T 12224

2. Material of Main Parts:



Name5-Body25-Seal Ring7-Disc6-Stem
Material WCB430+GraphiteWCB2Cr13

3. Dimensions:



Intended SizePN25
DNNPS(Inch)LDH1H
100 4''190110100380
125 5''200135110400
150 6''210161130450
200 8''230222210550
250 10''250278240630
300 12''270330280720
350 14''290382310820
400 16''310432350920
450 18''3304843901060
500 20''3505354301130
600 24''3906365001280
700 28''4307265701480
800 32''4708266301610
900 36''5109266901860
1000 40''55010287602040
1200 48''63012288502240