1.Reasonable design, compact structure, easy to assemble and repair.
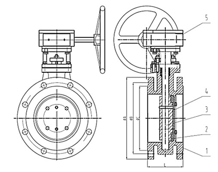
2.Eccentric structure, Reduce seal friction, extended service life.
3.The valve disc seal with “T” type structure, sealing pair is linear sealing.
4.Completely sealing, zero leakage.
5.Replaceable sealing ring, O-ring, disc, stem and other parts to suit different medium and temperature.







