Get Started
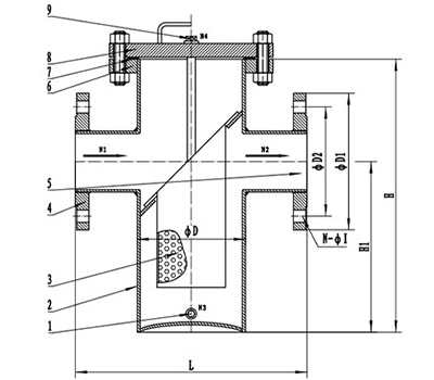
Basket strainer

Size Range:DN15-DN400

Pressure: PN16

Body Material:Carbon Steel/ Stainless Steel

Features: The body is solid and good quality. The suitable medium includes Water, steam, oil, etc. It can be used in water treatment, petrochemical, environmental protection etc

Get a Quote
Product advantages

1. The body is made of high-quality carbon steel, the material composition and performance meet the standards.

2. The screen is made of stainless steel 304, which is corrosion-resistant and durable;

3. The welding adopts robot automatic welding to form at one time,  the welding seam is flat and firm;


4. The number of filter meshes can be customized according to customer needs;

5. Using flexible graphite sealing gasket, high temperature resistance and good sealing performance;

6. Each strainer will do pressure test according to national standards before leaving the factory.

Parameters

qiqi.jpg


Parameter Information:

1. Executive standard:

NameDesign and manufacturePressure Test End flange
Reference standardSH/T 3411-2017GB/T 13927-2008HG/T 20592-2009


2. Material of Main Parts:

Name1-sewage outlet2-Body3-Screen7-Gasket
MaterialQ235Q235SS304 Flexible Graphite


3. Dimensions:

Size(DN)NPSLHH1ΦDΦD1ΦD2n-ΦI
151/2''1802601607695654-14
203/4''18026016076105754-14
251''18026016076115854-14
321  1/4''200270160761401004-18
401  1/2''2603001701081501104-18
502''2603001701081651254-18
652  1/2''3303602401331851458-18
803''3404002501592001608-18
1004''4004703002192201808-18
1255''4805503602732502108-18
1506''5006304202732852408-22
2008''56078053032534029512-22
25010''66093064042640535512-26
30012''750120084045746041012-26
35014''810137092050852047016-26
40016''900150095055958052516-30