The valve body adopts QT450-10 material, spheroidization rate 3, stronger mechanical properties, tensile strength 450Mpa, elongation of more than 10%;
The valve body and internal parts are processed by precision CNC machine tools to ensure accuracy;
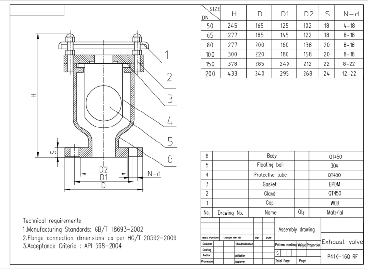
The float is made of 304 stainless steel with higher corrosion resistance;
Each valve packaging before ultrasonic cleaning, eliminate dirt and particulate impurities in the valve body to ensure the cleanliness of the valve;
Each valve has undergone strict pressure testing.
Size Range:DN50-DN200
Pressure: PN10/16
Body Material:DI
Seat Material:EPDM
Disc Material:304
Flanged Material:DI







