Get Started
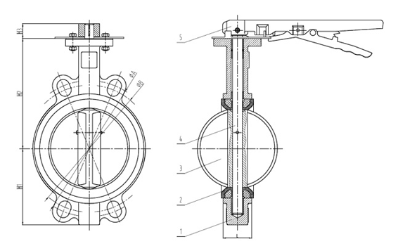
Stainless Steel Wafer Butterfly Valve

Size Range:DN50-DN200

Pressure: 5K/10K/150LB

Body Material:SS304/SS316

Seat Material:NBR/EPDM/VITON/PTFE

Disc Material:CF8/CF8M

Stem Material:SS416/SS304/SS316

Features: Single Eccentric Disc-Shaft
Anti-Blow Out Stem
Bi-Directional
Fire safe Design
Low Friction Body Seat
Zero Leakage

Get a Quote
Product advantages

1.The length of the short structure can save raw materials and installation space, and also effectively support the strength of the pipeline.

2.The valve block is the correct movement of the gate, extrusion fast, to ensure effective sealing valve.

3.Triangle support material, guarantee the required mechanical properties.

4.According to different working conditions demand design V, triangle, or five corners and other ports, in order to meet the needs of various flow regulation.

5.No groove at the bottom to make sure no slag and full bore flow.

6.Pango valve strict implementation of the API598 experimental standard, for each product to implement 100% positive and negative double pressure test, guarantee delivery to customers is 100% qualified products.

7.Pango Group dedicated to the dedication of the valve for 23 years, with professional production, sales, research and after-sales team,we are your strong backing.

Parameters

不锈钢图纸.jpg

Parameter Information:

Dimensions:

SIZEABCLANSI 150BDIN PN 10DIN PN 16JIS 10KISO 5211Top Flange
mminΦKN-ΦdΦKN-ΦdΦKN-ΦdΦKN-ΦdΦDΦD1N-ΦG
401.5"67141323398.54-Φ161104-Φ181104-Φ181054-Φ1965504-Φ8F05
502"671413243120.64-Φ191254-Φ181254-Φ181204-Φ1965504-Φ8F05
652½"751513246139.74-Φ191454-Φ181454-Φ181404-Φ1965504-Φ8F05
803"951603246152.44-Φ191608-Φ181608-Φ181508-Φ1965504-Φ8F05
1004"1111803252190.58-Φ191808-Φ181808-Φ181758-Φ1990704-Φ10F07
1255"1291933256215.98-Φ22.42108-Φ182108-Φ182108-Φ2390704-Φ10F07
1506"1422073256241.38-Φ22.42408-Φ222408-Φ222408-Φ2390704-Φ10F07
2008"1702404560298.48-Φ22.42958-Φ2229512-Φ2229012-Φ231251024-Φ12F10
25010"2062704568361.912-Φ25.435012-Φ2235512-Φ2635512-Φ251251024-Φ12F10
30012"2383164578431.812-Φ25.440012-Φ2241012-Φ2640016-Φ251251024-Φ12F10
35014"2673684578476.212-Φ28.446016-Φ2247016-Φ2644516-Φ251251024-Φ12F10
40016"2984005186539.716-Φ28.451512-Φ2652516-Φ3051016-Φ271751404-Φ18F14
45018"31842251105577.816-Φ31.856520-Φ2658520-Φ3056520-Φ271751404-Φ18F14
50020"3494795713063520-Φ31.862020-Φ2665020-Φ3362020-Φ271751404-Φ18F14
60024"41056270152749.320-Φ35.172520-Φ3077020-Φ3673024-Φ332101654-Φ22F16