1. Valve body is made of resin sand casting process. Small surface roughness and high dimensional accuracy.
2. Valve body is sprayed with epoxy coating to improve the corrosion resistance of the valve surface.
3. Valve shaft and spring are made of stainless steel to prevent rust and corrosion.
4. The springs go through the tensile test to ensure that the butterfly can quickly switch.
5. The disc is polished to ensure the sealing of the disc and the valve body.
6. All products can reach static pressure zero leakage.
7. From the raw material to the finished product, every process has strict inpection.
8. Pango brand product quality is covered by China Pacific Insurance with two million dollars. Two years warranty, pay two back if one bad within two years. Any quality problems of the product itself, we will pay without conditions.

Parameter Information:
1. Executive standard:
| Name | Design and manufacture | Face to face Length | Pressure Test | Side flange |
| Reference standard | ASME B16.34 | ASME B16.10 | API598 | ASME B16.5 |
2. Material of Main Parts:
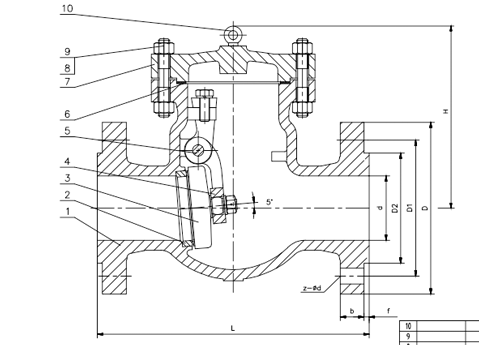
| Name | 1-Body | 2-Seal | 3-Disc |
| Material | SS304 | SS304 | SS304 |
3. Dimensions:
| Size | 150LB |
| DN | NPS | L | D | D1 | D2 | z-d |
| 40 | 1-1/2'' | 165 | 125 | 98.4 | 73 | 4-16 |
| 50 | 2'' | 203 | 150 | 120.7 | 92.1 | 4-19 |
| 65 | 2-1/2'' | 216 | 180 | 139.7 | 104.8 | 4-19 |
| 80 | 3'' | 241 | 190 | 152.4 | 127 | 4-19 |
| 100 | 4'' | 292 | 230 | 190.5 | 157.2 | 8-19 |
| 125 | 5'' | 330 | 255 | 215.9 | 185.7 | 8-22 |
| 150 | 6'' | 356 | 280 | 241.3 | 215.9 | 8-22 |
| 200 | 8'' | 495 | 345 | 298.5 | 269.9 | 8-22 |
| 250 | 10'' | 622 | 405 | 362 | 323.8 | 12-25 |
| 300 | 12'' | 698 | 485 | 431.8 | 381 | 12-25 |
| 350 | 14'' | 787 | 535 | 476.3 | 412.8 | 12-29 |
| 400 | 16'' | 864 | 595 | 539.8 | 469.9 | 16-29 |
| 450 | 18'' | 978 | 635 | 577.9 | 533.4 | 16-32 |
| 500 | 20" | 978 | 700 | 635 | 584.2 | 20-32 |
| 600 | 24" | 1295 | 815 | 749.3 | 692.2 | 20-35 |
|
| Size | 300LB |
| DN | NPS | L | D | D1 | D2 | z-d |
| 40 | 1-1/2'' | 241 | 155 | 114.3 | 73 | 4-22 |
| 50 | 2'' | 267 | 165 | 127 | 92.1 | 8-19 |
| 65 | 2-1/2'' | 292 | 190 | 149.2 | 104.8 | 8-22.5 |
| 80 | 3'' | 318 | 210 | 168.3 | 127 | 8-22.5 |
| 100 | 4'' | 356 | 255 | 200 | 157.2 | 8-22.5 |
| 125 | 5'' | 400 | 280 | 235 | 185.7 | 8-22.5 |
| 150 | 6'' | 444 | 320 | 269.9 | 215.9 | 12-22.5 |
| 200 | 8'' | 533 | 380 | 330.2 | 269.9 | 12-25.5 |
| 250 | 10'' | 622 | 445 | 387.4 | 323.8 | 16-29 |
| 300 | 12'' | 711 | 520 | 450.8 | 381 | 16-32 |
| 350 | 14'' | 838 | 585 | 514.4 | 412.8 | 20-32 |
| 400 | 16'' | 864 | 650 | 571.5 | 469.9 | 20-35 |
| 450 | 18'' | 978 | 710 | 628.6 | 533.4 | 24-35 |
| 500 | 20" | 1016 | 775 | 685.8 | 584.2 | 24-35 |
| 600 | 24" | 1346 | 915 | 812.8 | 692.2 | 24-41 |
|
| Size | 600LB |
| DN | NPS | L | D | D1 | D2 | z-d |
| 40 | 1-1/2'' | 241 | 155 | 114.3 | 73 | 4-22.5 |
| 50 | 2'' | 292 | 165 | 127 | 92.1 | 8-19 |
| 65 | 2-1/2'' | 330 | 190 | 149.2 | 104.8 | 8-22.5 |
| 80 | 3'' | 356 | 210 | 168.3 | 127 | 8-22.5 |
| 100 | 4'' | 432 | 275 | 215.9 | 157.2 | 8-25.5 |
| 125 | 5'' | 508 | 330 | 266.7 | 185.7 | 8-29 |
| 150 | 6'' | 559 | 355 | 292.1 | 215.9 | 12-29 |
| 200 | 8'' | 660 | 420 | 349.2 | 269.9 | 12-32 |
| 250 | 10'' | 787 | 510 | 431.8 | 323.8 | 16-35 |
| 300 | 12'' | 838 | 560 | 489 | 381 | 20-35 |
| 350 | 14'' | 889 | 605 | 527 | 412.8 | 20-38 |
| 400 | 16'' | 991 | 685 | 603.2 | 469.9 | 20-41 |
| 450 | 18'' | 1092 | 745 | 654 | 533.4 | 20-44 |
| 500 | 20" | 1194 | 815 | 723.9 | 584.2 | 24-44 |
| 600 | 24" | 1397 | 940 | 838.2 | 692.2 | 24-51 |