Get Started
Ductile Iron Tilting Check Valve

Size Range:DN100-DN2000

Pressure: PN10/16

Body Material:Ductile Iron QT450

Seat Material:EPDM

Disc Material:QT450-10

Stem Material:2Cr13

Features: Applicable medium:Water,Oil, etc

Suitable temperature:0℃~80℃

Application field: Water treatment, municipal construction, drainage, power plant, etc

Get a Quote
Product advantages

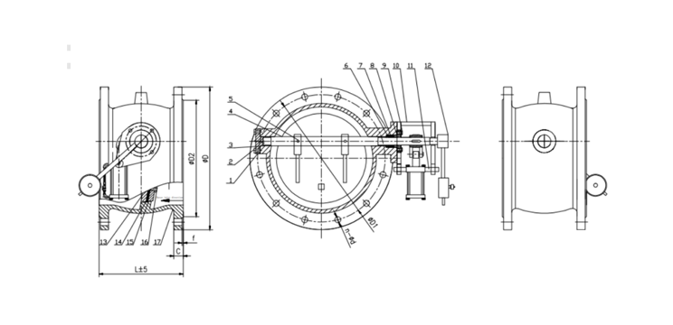
1. QT450-10 or WCB valve body,the chemical composition and mechanical properties meet the  the national standard, material report can be provided;

2.All parts are processed by precision CNC machine tools to ensure product accuracy;

3.Excellent performance of slow closing system, not affected by the medium in the pipeline. The valve disc closes quickly first and then slowly closes to prevent destructive water hammer;

4. Rubber seals or stainless steel hard seals, smooth opening and closing, no vibration, no noise, valve discs and other parts can also be selected according to working conditions;

5.Valve shaft is supported by self-lubricating sleeve bearings to reduce friction and torque;

6.250μm thickness Akzo epoxy coating;

7.Each valve will be inspected for shell and seal pressure before leaving factory.

Parameters

image.png

Parameter Information:

1. Executive standard:

NameDesign and manufactureFace to face LengthEnd Flange Pressure Test 
Reference standardGB/T 12238GB/T 12221GB/T 17241.6GB/T 13927


2. Material of Main Parts:

NameDesign and manufactureFace to face LengthEnd Flange Pressure Test 
Reference standardGB/T 12238GB/T 12221GB/T 17241.6GB/T 13927


3. Dimensions:

Size
PN10
DNNPTLD1n-d
1004''1901808-Φ19
1255''2002108-Φ19
1506''2102408-Φ23
2008''2302958-Φ23
25010''25035012-Φ23
30012''27040012-Φ23
35014''29046016-Φ23
40016''31051516-Φ28
45018''33056520-Φ28
50020''35062020-Φ28
60024''39072520-Φ31
70028''43084024-Φ31
80032''47095024-Φ34
90036''510105028-Φ34
100040''550116028-Φ37
120048''630138032-Φ40
140056''710159036-Φ43
160064''790182040-Φ49
180072''870202044-Φ49
200080''950223048-Φ49