Get Started
DIN Standard Flange Ball Valve

Size Range:DN15-DN250

Pressure: PN16/25

Body Material:SS304

Seat Material:PTFE

Stem Material:SS304

Features: The valve body is solid and heavy and high precision,quality.It can be used in municipal construction, water project,electricity,water supply and drainage,water treatment,petrolum.

Get a Quote
Product Technical Catalogue
Product advantages

1. All valve body are manufactured by precision casting and shot blasting twice for fine appearance without sand hole. There are furnace number on every batch foundry so that customer's order can be tracable. 


2. The same diameter valve has heavier weight compared with other manufacturers.


3. Stainless steel solid sphere,  good wear resistance.


4. Each valve will be tested according to national standards before leaving the factory.


5. From the raw material to the finished product, every process has strict inpection.


6. Pango brand product quality is covered by China Pacific Insurance with two million dollars. Two years warranty, pay two back if one bad within two years. Any quality problems of the product itself, we will pay without conditions.


Parameters

40-3.png


Parameter Information:

1. Executive standard:

NameDesign and manufactureFace to face LengthPressure Test End Flange 
As per GB/T 12237-2007GB/T 12221-2005GB/T 13927-2008GB/T 9113-2010/ EN1092-1


2. Material of Main Parts:

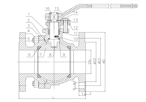
Name 1-Gland2-Seat sealing ring3-Ball4-Body5-Stem 
Material  SS304PTFESS304SS304SS304


3. Dimensions:

SizePN16PN25PN40PN63
DNNPSLDD1D2N-dLDD1D2N-dLDD1D2N-dLDD1D2N-d
151/2"1309565454-141309565454-141309565454-1416510575554-14
203/4"14010575554-1414010575554-1414010575554-1419012590684-18
251''15011585654-1415011585654-1415011585654-14216135100784-18
321-1/4''165135100784-18165135100784-18180135100784-18229150110824-23
401-1/2''180145110854-18180145110854-18200145110854-18241165125954-23
502''2001601251004-182001601251004-182201601251004-182921751351054-23
652-1/2''2201801451204-182201801451208-182501801451208-183302001601308-23
803''2501951601358-182501951601358-182801951601358-183562101701408-23
1004''2802151801558-182802301901608-233202301901608-234322502001688-25
1255''3202452101858-183202702201888-254002702201888-255082952402028-30
1506''3602802402108-233603002502188-254003002502188-255593402802408-34
2008''40033529526512-2340036031027812-2555037532028212-3066040534530012-34